您所在的位置:
  • MPQ2029GN-AEC1-Z
  • MPQ2029GN-AEC1-Z

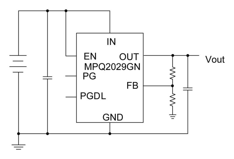
    The MPQ2029 is a low-power linear regulator that supplies power to systems with high-voltage batteries. The MPQ2029 includes a wide 3V to 40V input voltage (VIN) range, low dropout voltage, and low quiescent supply current. The low quiescent current and low dropout voltage allow for operation at extremely low power levels, making the MPQ2029 ideal for low-power microcontrollers and battery-powered equipment.

    The MPQ2029 provides an adjustable output voltage (VOUT) range of 1.25V to 15V. The regulator output current (IOUT) is limited internally, and the device is protected against short-circuit, overload, and over-temperature conditions.

    Full protection features include thermal shutdown and current-limit fault protection. The MPQ2029 is available in an SOIC-8EP package, and is available in AEC-Q100 Grade 1.


    • 0.00
      0.00
商品描述

The MPQ2029 is a low-power linear regulator that supplies power to systems with high-voltage batteries. The MPQ2029 includes a wide 3V to 40V input voltage (VIN) range, low dropout voltage, and low quiescent supply current. The low quiescent current and low dropout voltage allow for operation at extremely low power levels, making the MPQ2029 ideal for low-power microcontrollers and battery-powered equipment.

The MPQ2029 provides an adjustable output voltage (VOUT) range of 1.25V to 15V. The regulator output current (IOUT) is limited internally, and the device is protected against short-circuit, overload, and over-temperature conditions.

Full protection features include thermal shutdown and current-limit fault protection. The MPQ2029 is available in an SOIC-8EP package, and is available in AEC-Q100 Grade 1.



Features & Benefits

  • Guaranteed Industrial and Automotive Temperature 

  • 3V to 40V Input Range 

  • 10µA Quiescent Supply Current 

  • Stable with Low-Value Output Ceramic Capacitor (>0.47μF) 

  • 450mA Specified Current

  • Adjustable Output (1.25V to 15V)

  • Output ±2% Accuracy Over-Temperature

  • Specified Current Limit 

  • Power Good (PG)

  • Programmable Power Good Delay

  • Thermal Shutdown and Short-Circuit Protection (SCP)

  • -40°C to +150°C Specified Junction Temperature Range 

  • Available in a SOIC8 EP Package

  • Available in AEC-Q100 Grade 1